
detaillierte Produktbeschreibung
| Vorteil: | Schnelle Geschwindigkeit | Beschriftungsgeschwindigkeit: | 60-200 Stück / min |
|---|---|---|---|
| Funktion: | Ahesive Sticker Labeling | Material: | Rostfreier Stahl |
| Flaschentyp: | Automatisches Rundflaschen-Etikettierglas | Anwendung: | Für alle Arten von runden Behältern |
| Plc Marke: | MITSUBISHI (Japan) | Servo-Etikettiermotor: | DELTA (Taiwan) |
Rotwein-Etikettiermaschine Glas-Weinflaschen-Etikettiermaschine, SPS-Steuerungssystem MITSUBISHI Markenetikettiermaschine
Eigenschaften:
1. Bedienung: Das SPS-Steuerungssystem erleichtert die Bedienung der Etikettiermaschine
2. Material: Der Hauptkörper der Etikettiermaschine besteht aus Edelstahl SUS304
3. Konfiguration: Unsere Etikettiermaschinen verwenden bekannte japanische, deutsche, amerikanische, koreanische oder taiwanesische Markenteile
4. Flexibilität: Der Kunde kann einen Drucker und eine Codemaschine hinzufügen. kann wählen, ob eine Verbindung mit dem Konverter hergestellt werden soll oder nicht.
Technische Parameter:
| Name | Automatische runde Weinflasche für Hochgeschwindigkeits-Schrumpf-Rundflaschen-Etikettiermaschine |
| Beschriftungsgeschwindigkeit | 60-350 Stück / min |
| Höhe des Objekts | 30-350mm |
| Dicke des Objekts | 20-120 mm |
| Höhe des Etiketts | 5-180 mm |
| Länge des Etiketts | 25-300mm |
| Innendurchmesser der Etikettenrolle | 76mm |
| Außendurchmesser der Etikettenrolle | 420 mm |
| Genauigkeit der Kennzeichnung | ± 1 mm |
| Netzteil | 220 V 50/60 Hz 3,5 kW |
| Gasverbrauch des Druckers | 5 kg / m2 (wenn Codiermaschine hinzugefügt wird) |
| Größe der Etikettiermaschine | 2800 (L) × 1650 (B) × 1500 (H) mm |
| Gewicht der Etikettiermaschine | 180 kg |
Aufbau
| Nein. | Teil | Marke | Menge |
| 1 | SPS | MITSUBISHI (Japan) | 1 |
| 2 | Hauptkonverter | DANFOSS (Dänemark) | 1 |
| 4 | HMI | WEINVIEW (Taiwan) | 1 |
| 5 | Servo-Etikettiermotor | DELTA (Taiwan) | 1 |
| 6 | Motortreiber mit Servokennzeichnung | DELTA (Taiwan) | 1 |
| 7 | Fördermotor | HY (Taiwan) | 1 |
| 8 | Förderermotorgetriebe | HY (Taiwan) | 1 |
| 9 | Flaschenmotor teilen | GPG (Taiwan) | 1 |
| 10 | Getriebe des Trennflaschenmotors | GPG (Taiwan) | 1 |
| 11 | Flaschentrennmotor Drehzahlregler | GPG (Taiwan) | 1 |
| 12 | Speichenmotor | GPG (Taiwan) | 1 |
| 13 | Speichenmotorgetriebe | GPG (Taiwan) | 1 |
| 14 | Objekt erkennen magisches Auge | OMRON (Japan) | 1 |
| 15 | Glasfaser | OMRON (Japan) | 1 |
Maschinendetail:

32 Hauptteile der Etikettiermaschine

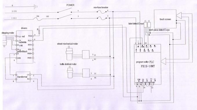
Schaltplan

FAQ:
1.Label bekommt Blasen
Gründe dafür:
① Das Abziehen des Bretts ist nicht gut / nicht flach.
② Pflugbrett ist nicht gut / nicht flach;
③ Die Etikettierausgabe ist zu schnell oder die Geschwindigkeit der Montagelinie ist zu niedrig.
④ Das Etikett ist zu locker gezogen
Lösungen:
① ein flaches Peeling vom Brett wechseln;
② ein flaches Pflugbrett wechseln;
③ Verlangsamen Sie die Geschwindigkeit der Etikettierausgabe oder erhöhen Sie die Geschwindigkeit der Montagelinie.
④ den Etikettenriemen richtig aufschlagen.
Etikett: industrielle Etikettiermaschine, Glasflaschenetikettiermaschine









